· Seitenmenü ;
· Eigene Services :
· Nützliches unter Linux (Debian) :
· Mikrocontroller/Programmierung :
· Elektronik :
· Diverses :
· Lustiges :
· Sonstiges :
|
{Zeitbereichsreflektometrie / Time Domain Reflectometry / Kabelradar}
Die Zeitbereichsreflektometrie, auch bekannt unter der Bezeichnung "Time Domain Reflectometry" (TDR), oder auch "Kabelradar", ist ein Verfahren zur
Ermittlung und Analyse von Lauflängen und Reflexionscharakteristika von elektromagnetischen Wellen und Signalen.
Auf dieser Seite wird gezeigt, wie die Kabellänge von Koaxialkabeln (hier RG58) und Netzwerkkabeln (Twisted Pair) bestimmt werden kann.
Desweiteren werden Kabelfehler analysiert. Hierzu werden ein Impulsgenerator und ein Oszilloskop benötigt.
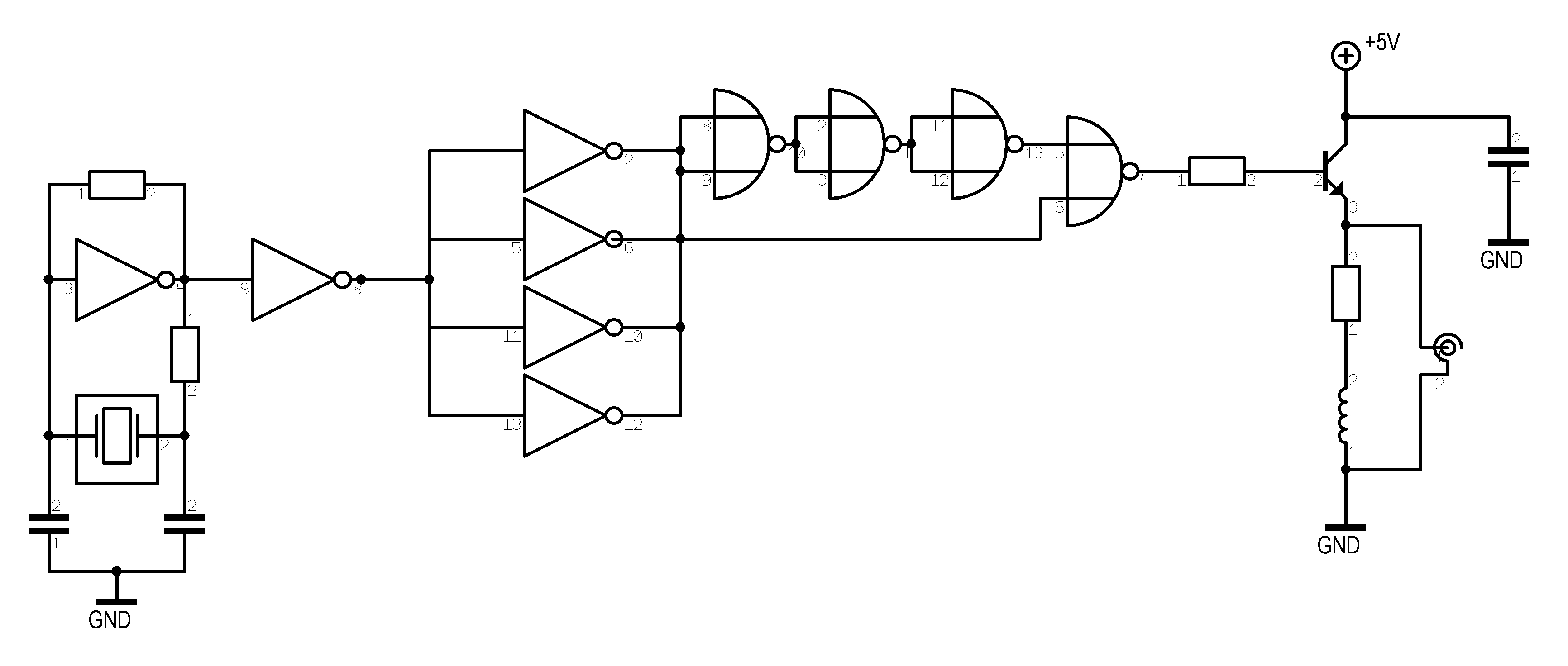
Der hier genutzte Impulsgenerator ist wie folgt aufgebaut :

Ein Impulsgenerator erzeugt rhythmisch sehr kurze Impulse mit einer Pulsdauer von ca. 20ns. Der Abstand zwischen 2 Pulsen muss so gewählt werden, dass genug Zeit
zum Abklingen der Echos vorhanden ist (hier ca. 2μs).
Im "peristance Modus" kann die Stabilität des Pulsgenerators gut erkannt werden. Das Bild zeigt eine Messung über mehrere Minuten.
Der Impulsgererator und ein Kanal des Oszilloskopes werden an ein offenes Ende des zu messenden Kabels angeschlossen.
Puls :

Puls (peristance Modus) :

Puls / Pause :

Die Impulse pendeln zwischen dem Ende, wo der Impulsgenerator angeschlossen ist, und dem entfernten Ende hin und her. Hierbei nimmt die Energie des Impulses
durch die Dämpfung des Kabels ab.
Bei offenem Kabelende reflektieren die Impulse mit gleicher Polarität.
Puls gleicher Polarität :

Bei kurzgeschlossenem Kabelende reflektieren die Impulse mit invertierter Polarität.
Puls invertierter Polarität :

Bei richtig terminiertem Kabelende gibt es keine reflektierenden Impulse.
Puls bei fast richtiger Terminierung :

{Längenmessung / Kabelradar}
Eine viel genutzte Anwendung der Zeitbereichsreflektometrie ist die Längenmessung von Kabeln. Hierbei wird die Zeit gemessen, die ein ausgesandter Impuls bis zu seinem Wiedereintreffen
nach der Reflexion benötigt.
Hierfür muss die Ausbreitungsgeschwindigkeit im Kabel (abhängig vom Dielektrikum) bekannt sein. Aus der gemessenen Zeit kann direkt die Länge des Kabels berechnet werden.
Da die Laufzeitmessung auch beim Radar genutzt wird hat sich der Begriff des Kabelradars entwickelt.
Folgendes Rechenbeispiel basiert auf einem RG58-Kabek mit einer Länge von ca. 100m. Im Datenblatt steht, dass der Verkürzungsfaktor (VK) 0,66 entspricht. Daraus ergibt sich die
Ausbreitungsgeschwindigkeit von :
CLichtgeschwindigkeit * VK
299792458 m/s * 0,66 = 197863022 m/s
Dies entspricht 0,1979 m/μs
Hier ist der Messaufbau zu erkennen. Das Messobjekt (RG58-Kabel aufgerollt) mit angeschlossenen BNC-Adaptern, dem USB-Oszilloskop (nur ein Kanal angeschlossen) und einem Frequenzgenerator (nicht der bei diesen Messungen verwendete).
Messaufbau :

Im folgendem Beispiel sind 2 Messungen zu sehen. Der blaue Kanal entspricht dem Messpunkt am Anfang des Kabels (Impulsgenerator). Hier ist der Impuls und zeitlich versetzt das Echo am offenem Kabelende
zu sehen (gleiche Polarität / Laufzeit 1,076 μs). Der rote Kanal ist um 538 ns zeitversetzt. Hierbei handelt es sich um den Impuls am Messpunkt am Kabelende und ebenfalls einem Echo.
Zu erkennen ist, dass der rote Kanal genau in der Mitte zwischen dem eingespeistem Impuls (blau) und dessem Echo (blau) liegt. Dies liegt an der Laufzeit im Kabel. Der Impuls verläuft bis zum
Ende des Kabels und dann wieder zurück, was der 2-fachen Kabellänge bedeutet. Dementsprechend ist der rote Kanal zur hälfte der Zeit (einfache Kabellänge) zu sehen
(1,076 μs / 2 = 538 ns).
Blauer Kanal : Messung am Kabelanfang / Impulseinspeisung
Roter Kanal : Messung am entfernten Ende / offenes Kabelende


Nun wird ausschliesslich der blaue Kanal analysiert:
Blauer Kanal : Messung von Impuls und Echo am Kabelanfang / offenes Ende

Gut zu erkennen ist die Signallaufzeit von 1,076 μs vom Impuls bis zum eintreffendem Echo.
Bei einer Ausbreitungsgeschwindigkeit von 197863022 m/s beim hier verwendetem RG58-Kabel ergibt dies eine ermittelte Länge von 106,45 m "Signallänge" von 212,9 m.
Da der Impuls vom Impulsgenerator zum Ende des Kabels und wieder zurück läuft, die "Signallänge" die 2-fache Kabellänge und somit das Kabel 106,45 m lang.
{Fehlerortung in Kabeln}
Bei homogenem Dielektrikum im Kabel gibt es nur die Reflexion am Ende des offenem Kabels. An sprunghaften Änderungen des Wellenwiderstandes (Änderung des Dielektrikums)
treten teilweise Reflexionen und Transmissionen des Impulses auf. Die Intensität der Reflexionen hängt von der Änderung des Dielektrikums ab.
Mögliche Fehler an einem Kabel und dessen Impulsantwort sind :
- Kabelbruch -> Totalreflexion
- Kurzschluss zwischen Innen- und Aussenleiter -> Totalreflexion
- Kabelquetschung -> Teilreflexion durch Impedanzänderung
Aus dem Zeitpunkt des Eintreffens der Reflexion / Teilreflexion und dessem Erscheinungsbild kann auf Ort und Art des Fehlertypes geschlossen werden.
In folgendem Beispiel wurde ein ca. 100m langes RG58-Kabel mittels BNC-T-Stück um 10m verlängert. Stecker und T-Stücke verändern punktuell den Wellenwiderstand und sehen
dem Fehlerbild "Quetschung" sehr ähnlich.
Zu erkennen ist der ausgesendete Impuls, eine Teilreflexion und die Hauptreflexion am offenem Kabelende.
Als erstes wird die Zeit zwischen ausgesendetem Impuls und der Reflexion des offenen Kabels gemessen.
Die Reflexion des offenen Kabelendes trifft nach 1,179 μs ein und entspricht einer Gesamtlänge von 116,64 m
Blauer Kanal : Messung von Impuls und Echo am Kabelanfang / offenes Ende

Nun wird die Zeit zwischen ausgesendetem Inpuls und der Teilreflexion gemessen (ebenfalls offenes Kabelende).
Die Teilreflexion trifft nach 1,058 μs ein und entspricht einer Länge zur Fehlerstelle von 104,67 m
Dies entspricht ungefähr dem Versuchsaufbau (100m Kabel - Stecker - 10m Kabel).
Blauer Kanal : Messung von Impuls und Teilreflexion / offenes Ende

Wenn das Kabelende ordentlich terminiert wird, ist nur noch die Fehlerstelle zu erkennen.
Blauer Kanal : Messung von Impuls und Teilreflexion / terminiertes Ende

Nun wird noch gezeigt, dass auch 2 Fehler gleichzeitig erkannt werden können. Im folgendem Beispiel ist wieder ein 100 m RG58-Kabel mittels T-Stück um 10 m verlängert
worden. Das Ende der Verlängerung wurde kurzgeschlossen.
Im Diagramm ist der ausgesendete Impuls, die Teilreflexion an der Steckverbindung und die negative Totalreflexion des Kurzschlusses zu erkennen.
Blauer Kanal : Messung von Impuls und Teilreflexion / terminiertes Ende

Fehlerbilder von verschiedenen Kabeltypen und Fehlern werden in Zukunft noch folgen.
Diese Dokumentation geht in Kürze noch weiter ! :-)
Stichworte : Zeitbereichsreflektometrie / Time Domain Reflectometry / Kabelradart / Kabelfehlerortung / Wellenwiderstand / Dielektrikum
|